
At Integrity Control Services, we specialize in designing high-quality, efficient, and compliant industrial control panels. With years of experience in the industry, our team of engineers and designers is committed to delivering solutions that enhance productivity, safety, and system reliability. Whether your needs involve a simple control box or a complex automation system, we have the expertise to provide custom solutions tailored to your operational requirements.
Control drafting is a crucial aspect of designing industrial control panels, ensuring accuracy and efficiency in system implementation. At Integrity Control Services, we use advanced drafting techniques to create detailed schematics and layouts that minimize errors, optimize workflow, and enhance ease of maintenance. Our drafting services provide clear, precise documentation, facilitating smooth installations and future upgrades.
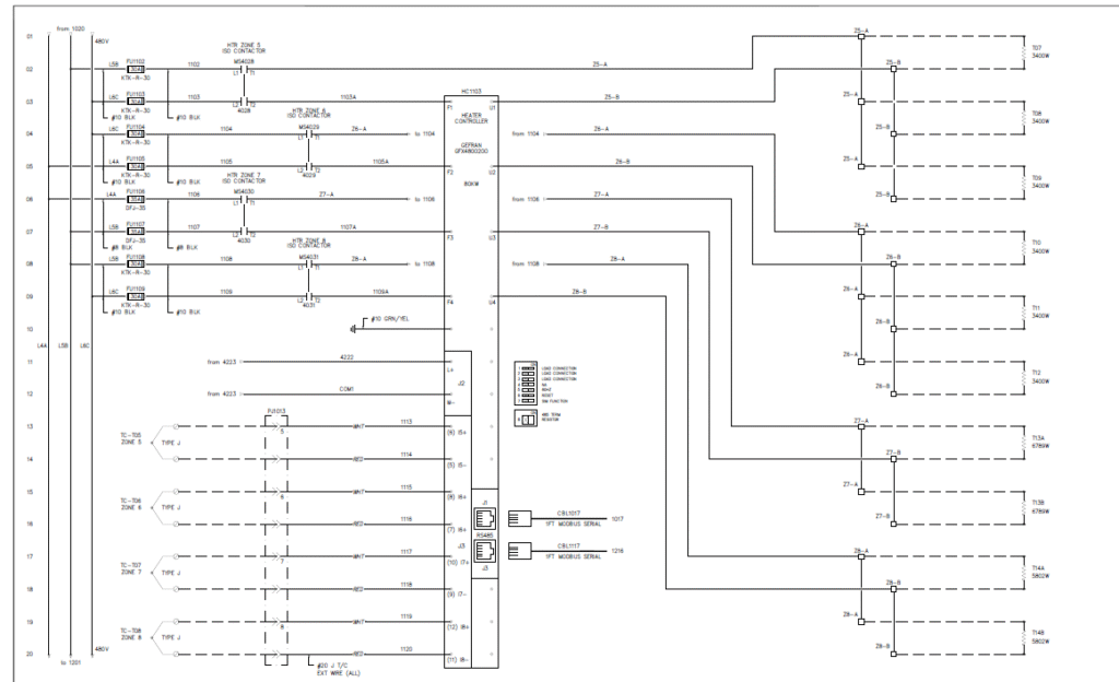
ACAD Electrical, a specialized extension of AutoCAD, plays a pivotal role in our industrial control panel design process. This powerful tool allows us to develop intelligent electrical drawings that streamline design and documentation. Using ACAD Electrical, our designers can create accurate circuit diagrams, automate component tagging, and integrate error-checking mechanisms, ensuring compliance with industry standards and reducing the likelihood of costly errors.
AutoCAD is an essential tool in our industrial drafting process, enabling us to create precise mechanical and electrical layouts. Our team is proficient in AutoCAD Industrial Drafting, leveraging its advanced features to design control panels that maximize space utilization, simplify wiring configurations, and enhance system efficiency. We focus on optimizing every detail of your control panel, from enclosure layout to component placement, ensuring seamless integration with your industrial processes.
At Integrity Control Services, compliance with industry regulations and safety standards is a top priority. Our control panels adhere to recognized industry standards, including UL508A, NEC, and IEC, ensuring safe and reliable operation. We conduct rigorous testing and quality checks to verify that each panel meets the highest safety and performance benchmarks.
Our industrial control panel design services cater to a wide range of industries, including manufacturing, food processing, energy, pharmaceuticals, and more. We understand that each industry has unique requirements, and we tailor our designs to meet specific operational demands. Whether you need a control panel for automation, motor control, process monitoring, or any other application, we have the expertise to deliver a solution that fits your needs.
Industrial control panels are the backbone of modern automation systems. Our designs seamlessly integrate with PLCs, HMIs, VFDs, and other automation components to ensure efficient and intelligent control. We work closely with our clients to develop panels that enhance automation capabilities, improve process efficiency, and reduce downtime.
ICS designs electrical control panels that are built to perform in demanding industrial environments. From simple relay logic to complex PLC-based automation systems, our panels are engineered with precision, safety, and maintainability in mind.
Whether your project requires AutoCAD Electrical or EPLAN, ICS has the in-house expertise and toolsets to meet your documentation and design standards. We work seamlessly within your preferred platform—delivering professionally structured schematics, BOMs, wire lists, and terminal plans that integrate smoothly with your internal workflows.
All panels are manufactured in our UL508A-certified facility, ensuring they meet national safety standards and can be deployed with confidence in any compliant industrial or commercial environment.
Our panel designs follow IEC, NFPA, NEC, and UL standards, with clear wire labeling, component identification, and layout practices that simplify troubleshooting, maintenance, and future upgrades.
Our panel designs follow IEC, NFPA, NEC, and UL standards, with clear wire labeling, component identification, and layout practices that simplify troubleshooting, maintenance, and future upgrades.
Beyond design, ICS provides panel fabrication, PLC/HMI programming, FAT testing, installation support, and field commissioning. We are a true turnkey provider—not just a design house.
We design panels with expansion in mind, making it easy to scale your system or integrate future technologies—saving time and cost in the long run.
With successful projects delivered across Texas and nationwide, ICS has become a trusted partner in sectors like oil & gas, water/wastewater, food & beverage, and industrial manufacturing.
If you’re looking for a trusted partner for your industrial control panel design, Integrity Control Services is here to help. Contact us today to discuss your project requirements and discover how our expertise can enhance your operations.